

Es adecuado para productos de embalaje de papel de aluminio: bolsas de café, cacahuetes, productos cárnicos secos, dulces, chocolate y otras pruebas de materiales, utilizados en alimentos, medicamentos, cosméticos, productos de seguridad, industria química y otras detecciones de metales. El estado del material de embalaje puede ser a granel, en bolsas, embotellado, en caja y otras formas. Este modelo puede detectar objetos metálicos extraños que se pueden magnetizar, como hierro, cobalto, níquel, acero inoxidable moldeado en plástico, acero al silicio, etc.

1. Equipado con pantalla a color de 7 pulgadas, menú de ayuda de operación preinstalado, conveniente para la coordinación y el aprendizaje del intercambio humano-máquina, función de aprendizaje de muestreo inteligente según las características del material.
2. La aplicación del sensor de alta sensibilidad y el método de control integrado pueden resolver eficazmente la capacidad de detección de objetos extraños de metales magnéticos en películas de aluminio y productos de embalaje de papel de aluminio.
3. El uso de microprocesador de 32 bits, análisis y procesamiento de señales digitales superiores, mejora la sensibilidad del sistema, la antiinterferencia y la estabilidad a largo plazo.
4. Los datos se pueden respaldar a través de USB.
5. Admite actualizaciones de software para facilitar el mantenimiento del sistema.
1. Placa de cadena de plástico personalizada, reduce la fuente de interferencia, hace que la máquina funcione sin problemas y asegura la sensibilidad de detección, facilita el desmontaje y el mantenimiento.
2. Marco integrado de acero inoxidable, simple y hermoso, fácil de limpiar y mantener.
3. Diseño de transporte positivo y negativo, requisitos de coincidencia de la línea de producción de embalaje de acoplamiento flexible.
4. El sensor de alta sensibilidad incorporado del detector puede proteger eficazmente la señal del producto de empaque de película de aluminio y determinar con precisión la materia extraña de metal magnético en el paquete.
5. Hay una variedad de rechazos disponibles.
| Modelo | JW-GL2415 |
| Código de identificación | GL2415-1-1 |
| Clase de protección | IP54 / IP66 |
| Velocidad | 15-35 m / min |
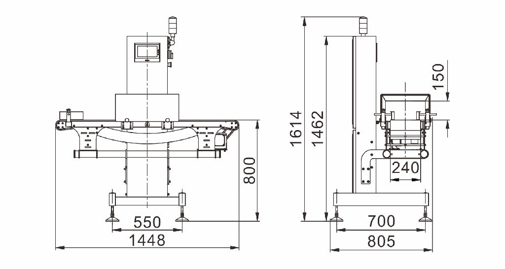
| Tamaño máximo del paquete (mm) | Ancho: 240 mm Altura ajustable: 20-150 mm |
| Sensibilidad (mm) | Fe: φ1,5 Sus: φ2,5 |
| Requisitos de energía | 220V / 180W / 50 / 60Hz / 0.8A |
| Dimensión de embalaje (mm) | 1570 (largo) x880 (ancho) x1490 (alto) |
| Peso bruto | 170 kg |



