

Весы для сыра подходят для взвешивания мягких и липких материалов, таких как сыр, леденцы, сахарная вата, консервированные фрукты, цукаты и т. Д.

1. Специальный датчик нагрузки с высокой точностью и высоким стандартом.
2. Функция восстановления программы может уменьшить сбои в работе, поддерживает многосегментную калибровку веса.
3. Отсутствие функции автоматической паузы продуктов может улучшить стабильность и точность взвешивания.
4. Линейную амплитуду можно регулировать независимо, что может сделать кормление более равномерным.
5. 15 языков доступны для мировых рынков.
6. Емкость 100 программ может удовлетворить различные требования к взвешиванию, удобное меню помощи на сенсорном экране способствует простоте эксплуатации.
1. Регулируемый верхний роторный конус подходит для подачи различных продуктов.
2. Усовершенствованный линейный вибратор улучшает сыпучесть материала.
3. Наклонный специальный линейный вибраторный поддон, обеспечивающий плавную подачу.
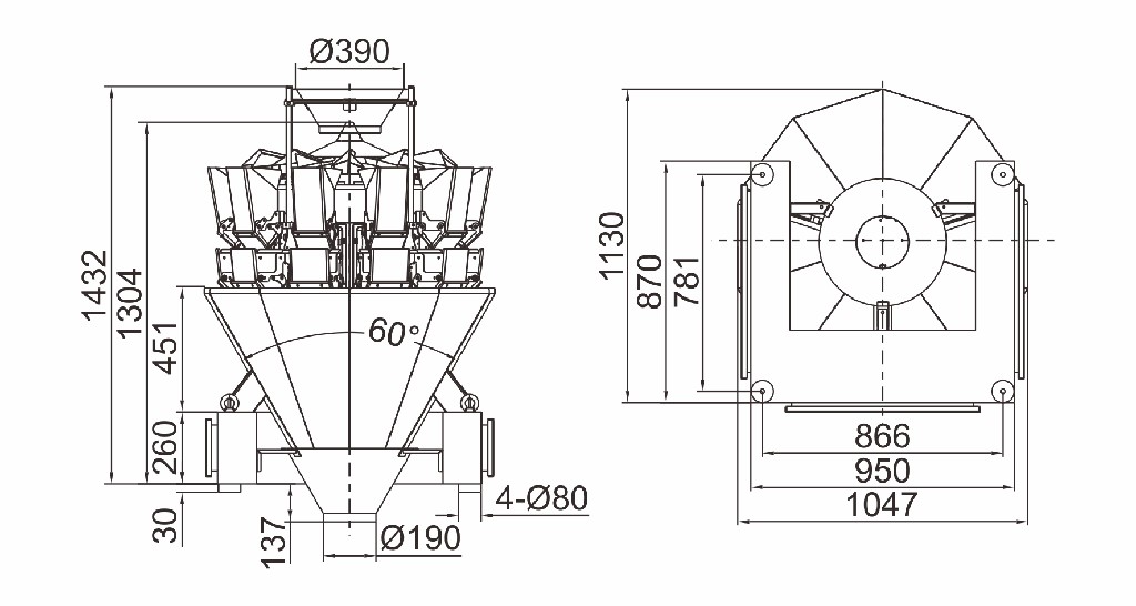
4. Вытяжной желоб с выемкой под углом 60 ° способствует снижению липкости.
5. Цельнолитой алюминиевый корпус машины для утолщения увеличивает прочность машины и сокращает время стабилизации образца.
6. Дополнительное обнаружение материала типа взвешивания, точный контроль времени подачи, толщины материала, чтобы гарантировать точность взвешивания.
| Модель | JW-A10 | JW-A12 | JW-A14 |
| Определить код | A10-1-12 | A12-1-12 | A14-1-12 |
| Диапазон взвешивания | 10-1000g | 10-1500g | 10-1500g |
| точность | Х (0,5) | Х (0,5) | Х (0,5) |
| Максимальная скорость | 60P / М | 100P / М | 100P / М |
| Объем бункера | 1.6L / 2.5L | ||
| Панель управления | 7-дюймовый сенсорный экран | ||
| Параметры | Загрузочный бункер / принтер / отклоняющее устройство | ||
| Система вождения | Шаговый двигатель | ||
| Требования к мощности | 220V / 1000W / 50/60 Гц / 10A | 220V / 1200W / 50/60 Гц / 10A | 220V / 1500W / 50/60 Гц / 10A |
| Размер упаковки (мм) | 1620 (L) X1100 (W) x1420 (H) | 1700 (L) X1100 (W) X1130 (Н) | 1750 (L) X1130 (W) x1420 (H) |
| Общий вес | 380kg | 450кг | 490kg |



