

Стандартный мультиголовочный весовой дозатор подходит для взвешивания продуктов для отдыха, таких как конфеты, семена, желе, корма для домашних животных, слоеные продукты, фисташки, арахис, орехи, изюм и т. Д., А также большие орехи, фурнитура, сухофрукты, замороженные продукты, закуски, фрикадельки и т. Д. скоро.

1. Специальный датчик нагрузки с высокой точностью и высоким стандартом.
2. Функция восстановления программы может уменьшить количество сбоев в работе и поддержка многосегментной калибровки веса
3. Функция автоматической паузы при отсутствии продуктов может улучшить стабильность взвешивания. и точность
4. Линейную амплитуду можно регулировать независимо во время работы.
5. Доступно множество языков для мировых рынков.
6. Емкость 100 программ может удовлетворить различные требования к весу а удобное меню справки способствует простоте работы
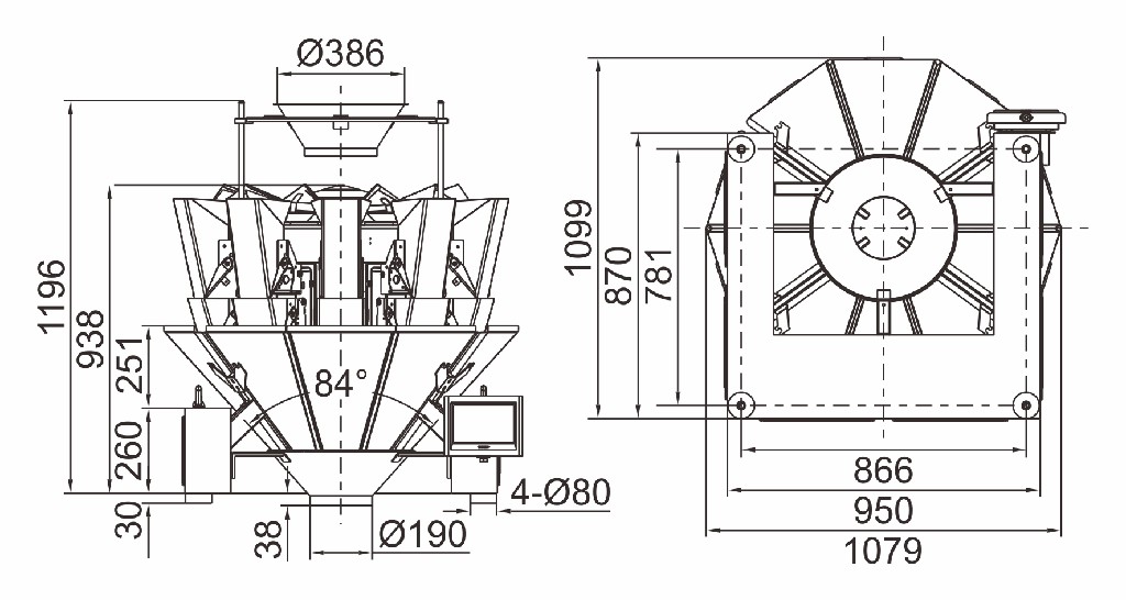
Бункер 1.1.6 л / 2.5 л, подходящий для всех видов стандартных материалов, может широко использоваться
2. процесс изготовления форм и единые стандарты проектирования способствуют лучшей взаимозаменяемости запасных частей.
3.Уплотненный алюминием средний слой увеличивает прочность машины, значительно сокращая время на стабилизацию бункеров.
4.Доступен тип взвешивания для обнаружения материала, который может точно контролировать время подачи и толщину материала, а также обеспечивать точность взвешивания.
5.Можно выбрать запатентованный бункер без пружины, рентабельный.
| Модель | JW-A10 | JW-A12 | JW-A14 | JW-AM10 | JW-AM14 | JW-A10 | JW-A14 |
| Определить код | A10-1-1 | A12-1-1 | A14-1-1 | AM10-1-1 | AM14-1-1 | A10-1-3 | A14-1-3 |
| Диапазон взвешивания | 10-1000g | 10-1500g | 10-1500g | 100-3000g | 100-3000g | 10-1000g | 10-1500g |
| точность | Х (0,5) | Х (0,5) | Х (0,5) | Х (1) | Х (1) | Х (0,5) | Х (0,5) |
| Максимальная скорость | 65P / М | 100P / М | 120P / М | 50P / М | 80P / М | 60P / М | 100P / М |
| Объем бункера | 1,6 / 2.5L | 5л | 1.6L (No-весна) | ||||
| Панель управления | 7-дюймовый сенсорный экран | ||||||
| Параметры | Пластина с углублениями / бункер для синхронизации / принтер / устройство для отбраковки | ||||||
| Система вождения | Шаговый двигатель | ||||||
| Требования к мощности | 220V / 1000W / 50/60 Гц / 10A | 220V / 1200W / 50/60 Гц / 10A | 220V / 1500W / 50/60 Гц / 10A | 220V / 1500W / 50/60 Гц / 10A | 220 В / 1500 Вт / 50/60 Гц / 12 А | 220V / 1000W / 50/60 Гц / 10A | 220V / 1500W / 50/60 Гц / 12A |
| Размер упаковки (мм) | 1620 (L) X1100 (W) X1110 (Н) | 1700 (L) X1100 (W) X1130 (Н) | 1700 (L) X1100 (W) x1265 (H) | 1950 (L) X1280 (W) X1690 (Н) | 2195 (L) X1380 (W) X1810 (Н) | 1620 (L) X1100 (W) X1110 (Н) | 1700 (L) X1100 (W) x1265 (H) |
| Общий вес | 380kg | 430kg | 490kg | 600кг | 750кг | 380kg | 490kg |



