

Le manipulateur parallèle s'applique à la nourriture, à la médecine, aux épices, aux plastiques, à l'artisanat, à l'électronique et à divers types de matériaux de tri et de transport d'autres industries.

1. Il peut être une peseuse de contrôle frontale ancrée, un détecteur de métaux, un détecteur de rayons X et d'autres équipements d'application d'automatisation de ligne de production d'emballage, une forte polyvalence, une large gamme d'applications, une haute précision et une forte stabilité.
2. Il peut réaliser une capacité de tri rapide et un système d'application visuel en option, ce qui rend le positionnement plus précis et plus facile à saisir.
3. Interface homme-machine à écran tactile, débogage de forme multi-coordonnées, contrôle de jogging, réglage des paramètres, etc., mode d'enseignement de soutien, mouvement de trajectoire linéaire, arc et spatial complet.
4. L'enseignement et le débogage avec le dispositif d'enseignement, la programmation facile à apprendre, le jeu d'instructions riche, peuvent répondre à un large éventail d'exigences d'application, les utilisateurs peuvent effectuer un développement secondaire.
5. Prise en charge des rendez-vous multi-stations.
6. Fonction de protection d'arrêt automatique de surcharge.
1. Base principale indépendante avec pulvérisation, apparence simple et belle, facile à installer et à entretenir.
2. Le bras principal rotatif est en fibre de carbone, dont la structure est plus légère et les performances plus stables.
3. Structure de liaison à 4 axes, qui peut réaliser la saisie et la rotation du matériau dans la direction spécifiée.
4. Utilisez le système de servocommande pour assurer la précision de l'application de travail.
5. Applications jointes visuelles ou télescopiques et à ligne complète en option, prise en charge des applications personnalisées dans la section du convoyeur, configuration flexible.
6. Matériau du cadre extérieur du corps en option selon l'environnement d'application, acier inoxydable / acier au carbone sont facultatifs.
| Modèle | JW-D1100 |
| Identifier le code | D1100-1-1 |
| Type de structure | DELTA (Parallèle à quatre axes) |
| Répéter la précision | ± 0,1 mm |
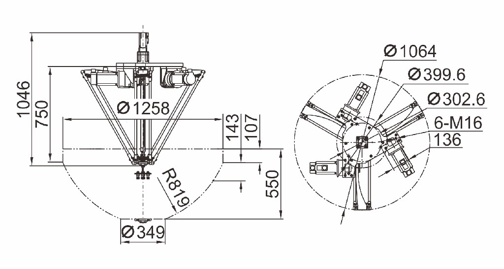
| Plage de travail | φ1100mm |
| Vitesse maximale | 150 P / M |
| Charge maximale | 3000g |
| Puissance requise | 220V / 4000W / 50 / 60Hz / 20A |
| Dimension d'emballage (mm) | 12000 (L) x1100 (L) x610 (H) |
| Poids brut | 110 kg |



