
适合于流动性较好的颗粒类物料、茶叶、中草药、种子、豆类、咖啡豆、巧克力豆、果仁、味精、鸡精等小计量的配方定量称重。

1. 可满足2合1、3合1、4合1多种配方称重混合;
2. 混料重量可以由最后一种物料进行自动补偿
3. 采用高精度的特制传感器;
4. 智能化的故障报警提示,维护更方便;
5. 高速异步放料功能,有效防止物料阻塞;
6. 全新高集成模块化设计,采用了CAN总线技术;
7. Modbus工业标准通信协议,实现组合秤和包装机界面合二为一;
8. 其他功能特点同一代机型。
1. 采用分隔上料斗,用于多种混合配方物料;
2. 采用独立主振机,分别控制不同物料的加料厚度;
3. 整体式机箱和中座增强了机器的刚性和强度,使得称量更准确;
4. 统一的设计标准,采用模具制作工艺,使各个零部件的互换性更强。
5. 稳定式的铝壳结构使得料斗运行更稳定,读数更精准,整体式机箱和中座增强了机器的强度,使得料斗的稳定时间更短;
型号 | JW-A24 | JW-A24 |
识别代号 | A24-2-1 | A24-2-2 |
单种物料范围 | 5-240g | 5-240g |
称重精度范围 | X(0.5) | X(0.5) |
最大称重速度 | 60P/M(4种物料混合) | 60P/M(3种物料混合) |
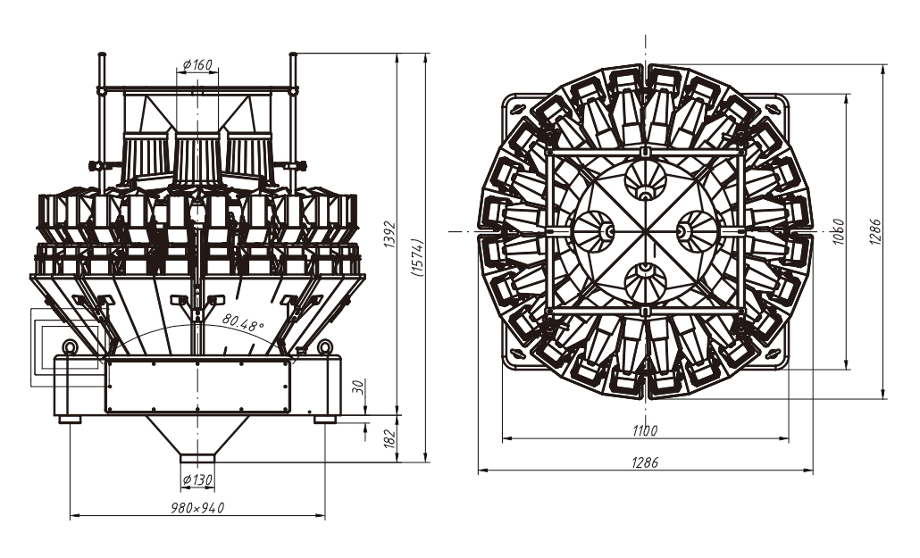
料斗容量 | 0.5L | |
操作界面 | 10.4寸触摸屏 | |
选购装置 | 花纹秤斗/集料斗/数据打印装置 | |
驱动方式 | 步进电机 | |
电源要求 | 220V/1500W/50Hz/60Hz/10A | |
包装尺寸 | 1800(L)*1250(W)*1110(H) | |
包装重量 | 440kg | |



