
适用于食品、药品、调味品、塑料、工艺品、电子等行业的各类输送物料应用。

1. 可以对接前端重量选别秤、金检机、X光异物检测器等包装产线自动化应用设备,通用性强、适用范围广、精度高、稳定性强。
2. 可实现快速分拣能力,选配视觉应用系统,让定位更精准,抓取更容易,可实现自动分拣、自动码垛、自动排序智能操作功能。
3. 触摸屏人机操作界面,多坐标形式调试,可做点动控制、参数设置等,支持示教模式,完成直线、圆弧和空间轨迹运动。
4. 采用示教器示教调试,编程简单易学,丰富的指令集,能满足广泛的应用需求,用户可进行二次开发。
5. 支持多工位预约。
6. 过载自动停机保护功能。
1. 独立主体基座,喷涂处理,外观简洁美观、易于安装和维护。
2. 旋转主臂采用碳纤维材质,结构更轻巧,性能更稳定。
3. 4轴联动结构,可实现物料的抓取和旋转按指定方向动作。
4. 采用伺服控制系统,确保工作应用的精度。
5. 可选配视觉或搭载输送与整线连体应用,支持输送段的定制应用,配置灵活。
4. 可根据应用环境选配主体外框架,不锈钢/碳钢可选,支持定制。
型号 | JW-D1100 |
识别代号 | D1100-1-1 |
结构类型 | DELTA ( 四轴并联 ) |
重复精度 | ±0.1mm |
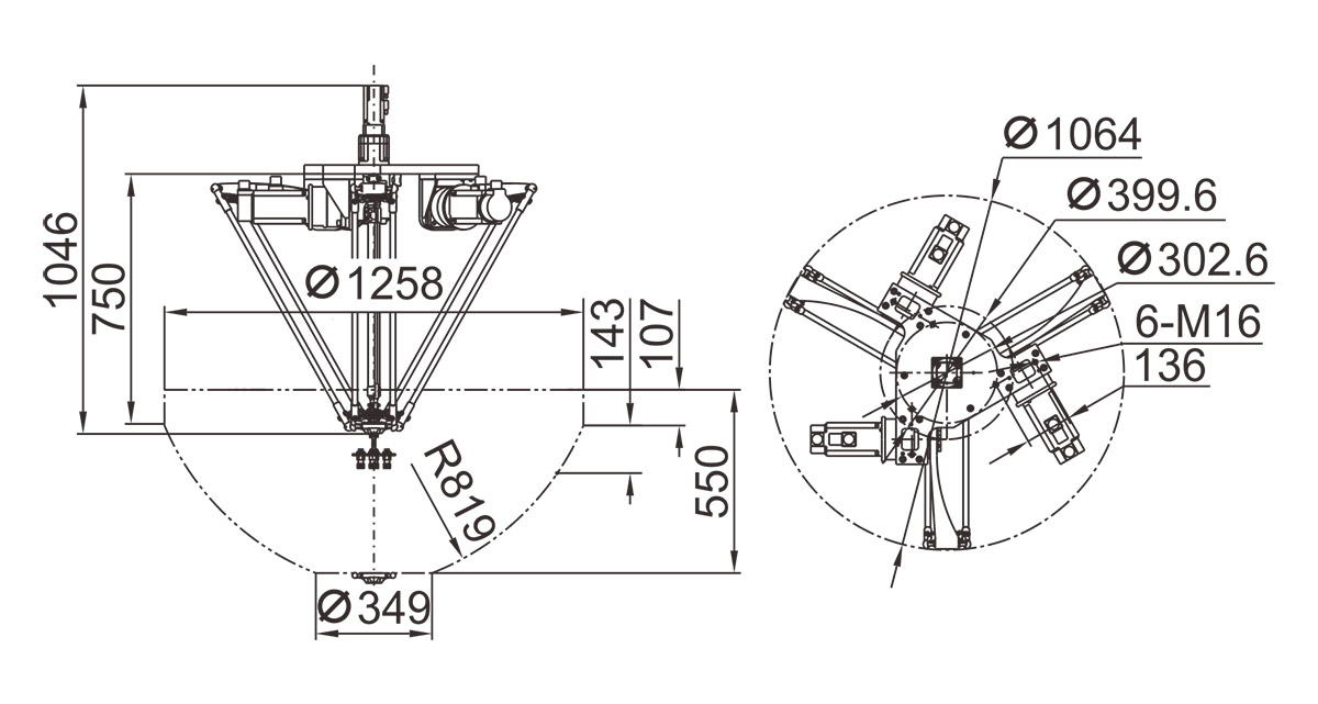
工作范围 | φ1100mm |
最大速度 | 150 P/M |
最大负载 | 3000g |
电源要求 | 220V/4000W/50/60Hz/20A |
包装尺寸(mm) | 12000(L)x1100(W)x610(H) |
包装重量 | 110kg |



