
适合称量红糖、黑糖、工业盐等流动性较差的带有轻微粘性以及新鲜的玉米粒、菜花、洋葱片等块状、丁状、茎类及其他蔬菜类制品。

1. 全新高集成模块化控制系统。
2. 运行中可根据生产实际情况修改参数设置,操作简便。
3. 采用无级加料模式,实时控制物料的流量,确保称量的准确。
1. 整机采用不锈钢食品级材料制作,确保食品卫生安全。
2. 定制食品级输送带,满足不同物料的不同应用需求。
3. 易拆式结构设计,便于维护和清洗。
4. 定制专用传感器,确保称量精度。
5. 配装独立闸门,根据信号反馈自动实现闸门的开合动作。
6. 与物料接触零部件均可实现快速拆卸。
型号 | JW-AX1 |
识别代号 | XM1-2-2 |
称重范围 | 500-12000g |
称重精度范围 | X(1) |
最大称重速度 | 8P/M |
料斗容量 | 15L |
参数预设数 | 100 |
最多可称物料种类种类 | 1 |
操作界面 | 7寸触摸屏 |
选购装置 | 花纹秤斗/集料斗/数据打印装置/超重选别装置 |
电源要求 | 220V/250W/50/60Hz/1.2A |
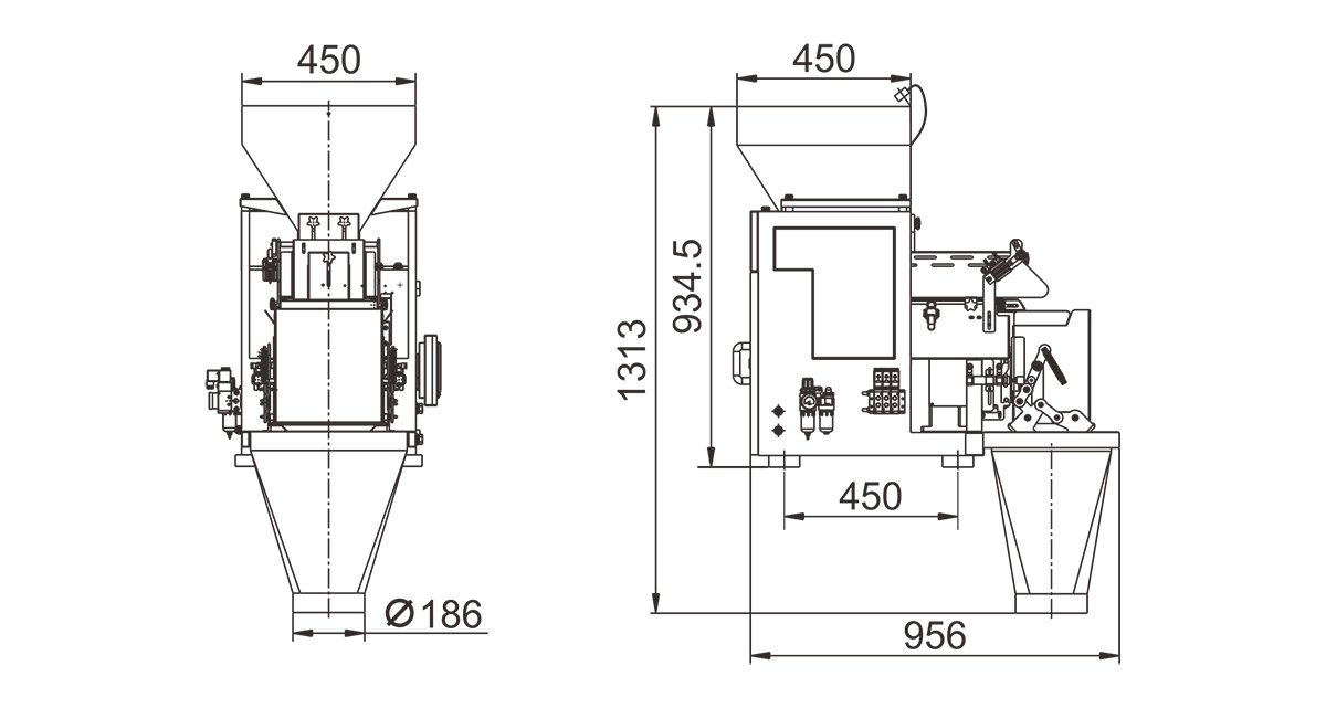
包装尺寸(mm) | 1150(L)x700(W)x1090(H) |
包装重量 | 200kg |



