

Es adecuado para pesar pequeños gránulos como azúcar, sal, semillas, arroz, sésamo, monosódico, café, condimentos en polvo, etc.

1. Nuevo sistema de control modular altamente integrado.
2. Función de ajuste automático de amplitud, más conveniente para depurar.
3. Puede pesar una variedad de materiales diferentes al mismo tiempo para lograr un empaque de material mixto.
4. De acuerdo con la situación de producción, los parámetros se pueden modificar directamente en operación, lo que es fácil de operar.
5. Adopta el sistema de alimentación de la máquina de vibración continua, para que el material sea más uniforme y el rango de pesaje sea mayor.
1. La máquina está hecha de acero inoxidable, limpia y sanitaria.
2. La alimentación rápida de caída libre puede ahorrar más tiempo que la alimentación por vibración normal.
3. Bandeja vibradora de precisión para lograr un pequeño flujo de alimentación precisa, mejorar efectivamente la precisión de pesaje.
4. Las partes en contacto con los materiales (tapón, embudo de descarga, plato vibrador, tolva de pesaje, etc.) se pueden desmontar rápidamente y limpiar cómodamente.
| Modelo | JW-AX4 |
| Código de identificación | AX4-2-2 |
| Rango de pesaje | 200-4000g |
| Exactitud | X (1) |
| Máxima velocidad | 60P / M |
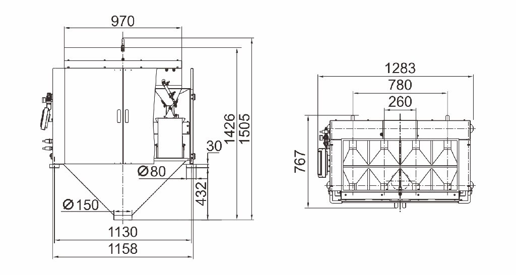
| Volumen de la tolva | 6L |
| Parámetros Presione No. | 100 |
| Max productos mezclados | 4 |
| Panel de control | Pantalla táctil de 7 " |
| Opciones | Placa de hoyuelos / Tolva de sincronización / Impresora / Dispositivo de rechazo |
| Requisitos de energía | 220V / 500W / 50 / 60HZ / 3A |
| Dimensión de embalaje (mm) | 1400 (largo) X1200 (ancho) X1190 (alto) |
| Peso bruto | 240 kg |



