

Подходит для взвешивания овощных салатов, фруктовых салатов, картофеля, лука, помидоров, помидоров черри и т. Д.

1. Специальный датчик нагрузки с высокой точностью и высоким стандартом.
2. Модульная электрическая плата и интеллектуальный стабильный режим множественного отбора проб делают взвешивание более точным.
3. Интеллектуальная сигнализация неисправности, удобная для обслуживания.
4. Высокая скорость разгрузки, эффективно предотвращает блокировку материалов.
5. Новая высокоинтегрированная модульная конструкция с использованием технологии шины CAN.
6. Протокол связи промышленного стандарта Modbus реализует интерфейс многоголовочного дозатора и упаковочной машины.
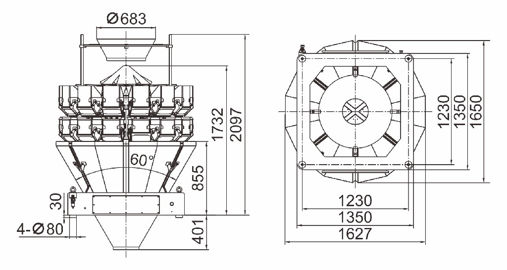
1. Регулируемый верхний роторный конус подходит для подачи различных продуктов.
2. Усовершенствованный линейный вибратор улучшает сыпучесть материала.
3. Наклонный линейный противень, обеспечивающий плавную подачу.
4. Вытяжной желоб с выемкой под углом 60 ° способствует снижению липкости.
5. Дополнительное обнаружение материала типа взвешивания, точный контроль времени подачи, толщины материала, чтобы гарантировать точность взвешивания.
| Модель | JW-AM14 | JW-AM16 |
| Определить код | AM14-2-11 | AM16-2-11 |
| Диапазон взвешивания | 10-3000g | 10-3000g |
| точность | Х (1) | Х (1) |
| Максимальная скорость | 80P / М | 120P / М |
| Объем бункера | 7.5L | |
| Панель управления | 10,1-дюймовый сенсорный экран | |
| Параметры | Загрузочный бункер / принтер / отклоняющее устройство | |
| Система вождения | Шаговый двигатель | |
| Требования к мощности | 220V / 1500W / 50/60 Гц / 12A | 220V / 2000W / 50/60 Гц / 16A |
| Размер упаковки (мм) | 2080 (L) x1540 (W) x1830 (H) | 2200 (L) x1540 (Ш) X1900 (Н) |
| Общий вес | 870kg | 870kg |



