

إنها مناسبة لوزن سلطة الخضار وسلطة الفواكه والبطاطس والبصل والطماطم والطماطم الكرزية ، إلخ.

1. خلية تحميل خاصة بدقة عالية ومعايير عالية.
2. لوحة كهربائية للوحدة النمطية ، مع الوضع المستقر لأخذ العينات المتعددة الذكي ، تجعل الوزن أعلى دقة.
3. إنذار خطأ ذكي ، مريحة للصيانة.
4. وظيفة تفريغ متداخلة عالية السرعة ، تمنع بشكل فعال المواد المسدودة.
5. تصميم نموذجي جديد ومتكامل للغاية ، باستخدام تكنولوجيا ناقل CAN.
6. بروتوكول الاتصال القياسي الصناعي Modbus يحقق واجهة آلة التعبئة والوزن متعدد الرؤوس.
1. مخروط علوي دوار قابل للتعديل بسرعة مناسب لتغذية المنتجات المختلفة.
2. يعمل الهزاز الخطي المحسن على تحسين قابلية تدفق المواد.
3. المقلاة الخطية المائلة ، تضمن تغذية سلسة.
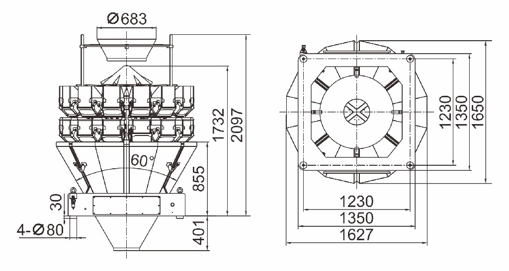
4. 60 درجة من مجرى تصريف الدمامل يساهم في مشاكل أقل لزوجة.
5. كشف المواد من نوع الوزن الاختياري ، والتحكم الدقيق في وقت التغذية ، وسمك المواد ، لضمان دقة الوزن.
| نموذج | JW-AM14 | JW-AM16 |
| تعريف الكود | AM14-2-11 | AM16-2-11 |
| نطاق الوزن | 10-3000 جرام | 10-3000 جرام |
| صحة | اكس (1) | اكس (1) |
| السرعة القصوى | 80P / م | 120P / م |
| حجم القادوس | 7.5 لتر | |
| لوحة التحكم | شاشة تعمل باللمس مقاس 10.1 بوصة | |
| خيارات | قادوس التوقيت / الطابعة / جهاز الرفض | |
| نظام القيادة | محرك خطوة | |
| متطلبات الطاقة | 220 فولت / 1500 واط / 50/60 هرتز / 12 أمبير | 220 فولت / 2000 واط / 50/60 هرتز / 16 أمبير |
| أبعاد التعبئة (مم) | 2080 (طول) × 1540 (عرض) × 1830 (ارتفاع) | 2200 (طول) × 1540 (عرض) × 1900 (ارتفاع) |
| الوزن الإجمالي | 870 كجم | 870 كجم |



