

الميزان متعدد الرؤوس للسلطة من السلسلة G II ليس مناسبًا فقط لوزن الوزن المستهدف الكبير والكمية ذات السعة الكبيرة مثل السلطة والبطاطس والبصل والطماطم إلخ ، ولكن أيضًا حبيبات صغيرة الوزن مثل أقراص الطب الصيني والشاي وحبوب القهوة والشوكولاته الفاصوليا والكشمش وغيرها من المواد الغذائية ، والأجهزة ، وجزيئات البلاستيك.

1. خلية تحميل خاصة بدقة عالية ومعايير عالية.
2. يمكن أن تقلل وظيفة استعادة البرنامج من فشل التشغيل وتدعم معايرة الوزن متعددة الأجزاء.
3. يمكن تعديل السعة الخطية بشكل مستقل.
4. العديد من اللغات المتاحة للأسواق العالمية.
5. سعة 100 برنامج يمكن أن تلبي متطلبات الوزن المختلفة وقائمة المساعدة سهلة الاستخدام تساهم في التشغيل السهل.
1. تصميم آلة جديدة - سلسلة ، مظهر أنيق.
2. تصميم متحرك سهل لقمع التغذية وقمع التفريغ ، وهو أكثر ملاءمة لتنظيفه.
3. مخروط علوي دوار قابل للتعديل بسرعة مناسب لتغذية المنتجات المختلفة.
4. يعمل الهزاز الخطي المحسن على تحسين قابلية تدفق المواد.
5. إن وعاء الهزاز الخطي المائل يضمن تغذية سلسة.
6. 60 درجة من مجرى تصريف الدمامل يساهم في مشاكل أقل لزوجة.
| اسم | ميزان سلطة متعدد الرؤوس من سلسلة G 10Heads II | الأول G 14Heads II Series Salad Multihead ميزان |
| نموذج | JW-AM10 | JW-AM14 |
| تعريف الكود | AM10-1-19 | AM14-1-19 |
| نطاق الوزن | 100-3000 جرام | 100-3000 جرام |
| صحة | اكس (1) | اكس (1) |
| السرعة القصوى | 50P / م | 80P / م |
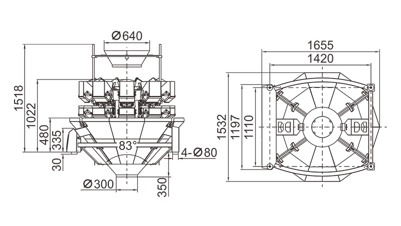
| حجم القادوس | 5 لتر | |
| لوحة التحكم | شاشة تعمل باللمس مقاس 7 بوصات | |
| خيارات | قادوس التوقيت / الطابعة / جهاز الرفض | |
| نظام القيادة | محرك خطوة | |
| متطلبات الطاقة | 220 فولت / 1500 واط / 50/60 هرتز / 10 أمبير | 220 فولت / 1500 واط / 50/60 هرتز / 12 أمبير |
| أبعاد التعبئة (مم) | 2270 (طول) × 1480 (عرض) × 1500 (ارتفاع) | 2200 (طول) × 1500 (عرض) × 1500 (ارتفاع) |
| الوزن الإجمالي | 680 كجم | 850 كجم |



