

الميزان متعدد الرؤوس No-Spring مناسب لوزن الحلوى والبذور والهلام وأطعمة الحيوانات الأليفة والأطعمة المنتفخة والفستق والفول السوداني والمكسرات والزبيب والفواكه المجففة والأطعمة الخفيفة ، وما إلى ذلك (نصائح: لا تناسب الحبيبات الصغيرة والمنتج ذي التأثير فرض )

1. اعتماد خلية تحميل عالية الدقة وعالية الدقة للعلامة التجارية الشهيرة ، تم تحسين الدقة حتى 2 عشري ؛
2. وظيفة استعادة البرنامج يمكن أن تقلل من فشل العملية وتدعم معايرة الوزن متعددة الأجزاء ؛
3. لا يمكن أن تحسن وظيفة الإيقاف التلقائي للمنتجات من استقرار الوزن والدقة.
4. سعة 100 برنامج يمكن أن تلبي متطلبات الوزن المتنوعة وقائمة المساعدة سهلة الاستخدام تساهم في التشغيل السهل.
5. يمكن تعديل السعة الخطية بشكل مستقل.
6. العديد من اللغات المتاحة للأسواق العالمية.
1. قادوس بدون زنبركي مع براءة اختراع ، اقتصادي وعملي ، فعال من حيث التكلفة ؛
2. استخدام القادوس بدون زنبرك لضمان سلامة الغذاء بشكل أكثر فعالية.
3. عملية صنع القالب ومعايير التصميم الموحدة تساهم في قابلية تبادل أفضل لقطع الغيار.
4. يتوفر نوع الوزن للكشف عن المواد ، والذي يمكن أن يجعل التحكم الدقيق في وقت التغذية وسمك المواد ويضمن دقة الوزن.
5. تعزز الطبقة الوسطى السميكة من الألمنيوم من قوة الآلة ، مما يجعل وقت تثبيت القواديس أقصر بكثير.
| نموذج | JW-A10 | JW-A14 |
| تعريف الكود | أ10-1-3 | A14-1-3 |
| نطاق الوزن | 10-1000 جرام | 10-1500 جرام |
| صحة | اكس (0.5) | اكس (0.5) |
| السرعة القصوى | 60P / م | 100P / م |
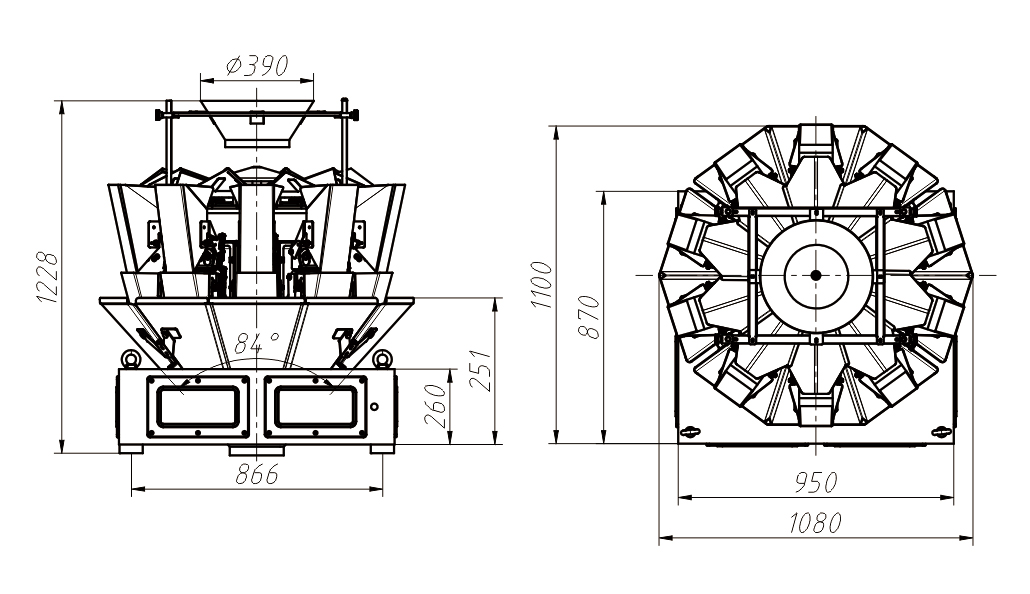
| حجم القادوس | 1.6 لتر | |
| لوحة التحكم | شاشة تعمل باللمس مقاس 7 بوصات | |
| خيارات | لوحة Dimple / Timing Hooper / Printer / Reject Device | |
| نظام القيادة | محرك خطوة | |
| متطلبات الطاقة | 220 فولت / 1000 واط / 50/60 هرتز / 10 أمبير | 220 فولت / 1500 واط / 50/60 هرتز / 12 أمبير |
| أبعاد التعبئة (مم) | 1620 (L) X1100 (W) X1110 (H) | 1700 (L) X1110 (W) X1265 (H) |
| الوزن الإجمالي | 380 كجم | 490 كجم |



